No products in the cart.
01 - COVER
02 - DOOR
03 - CABINET
04 - SHELVES/CONTROLS
05 - COOLING SYSTEM
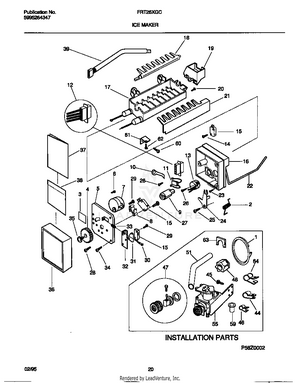
06 - ICE MAKER
07 - ICE & WATER DISPENSER
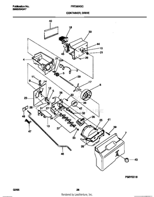
08 - CONTAINER, DRIVE