No products in the cart.
01 - COVER
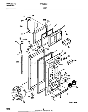
02 - DOOR
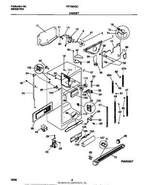
03 - CABINET
04 - SHELVES/CONTROLS
05 - SYSTEM
06 - ICE MAKER
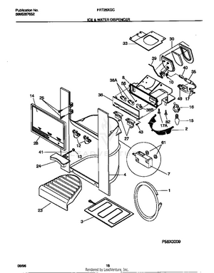
07 - ICE & WATER DISPENSER
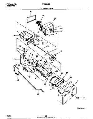
08 - ICE CONTAINER