No products in the cart.
02 - CONSOLE AND CONTROL PARTS
03 - CAM
04 - DOOR PARTS
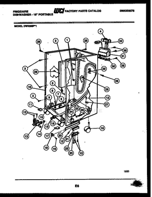
05 - TUB AND FRAME PARTS
06 - MOTOR PUMP PARTS
07 - CABINET PARTS
08 - TOP PARTS
09 - RACKS AND TRAYS