No products in the cart.
01 - COVER
03 - FREEZER DOOR
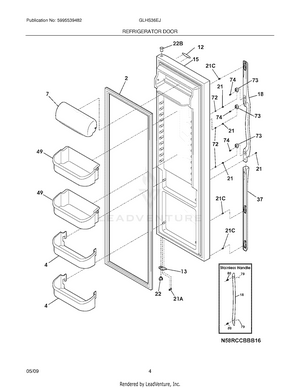
05 - REFRIGERATOR DOOR
07 - CABINET
09 - SHELVES
11 - CONTROLS
13 - SYSTEM
15 - ICE & WATER DISPENSER
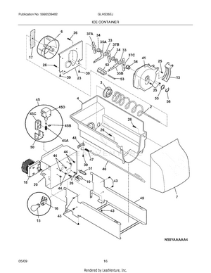
17 - ICE CONTAINER
19 - ICE MAKER
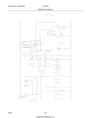
22 - WIRING SCHEMATIC
23 - WIRING DIAGRAM