No products in the cart.
01 - COVER
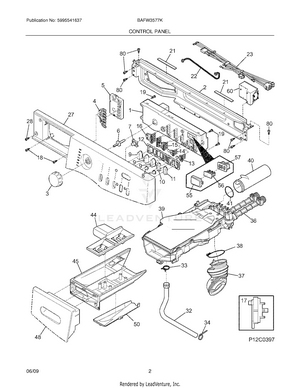
03 - CONTROL PANEL
05 - CABINET/TOP
07 - MOTOR/TUB
08 - WIRING DIAGRAM
09 - WIRING DIAGRAM