No products in the cart.
01 - COVER
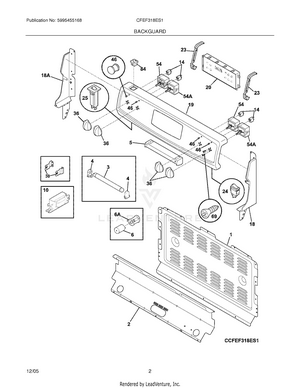
03 - BACKGAURD
05 - BODY
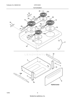
07 - TOP/DRAWER
09 - DOOR
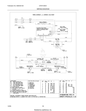
10 - WIRING DIAGRAM
11 - WIRING DIAGRAM