No products in the cart.
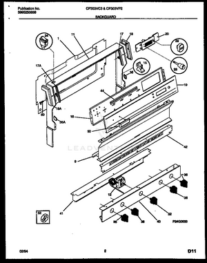
02 - BACKGUARD
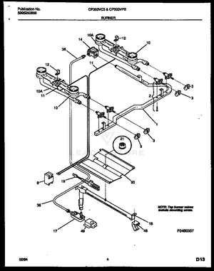
03 - BURNER, MANIFOLD AND GAS CONTROL
04 - BODY PARTS
05 - COOKTOP AND BROILER DRAWER PARTS
07 - DOOR PARTS