No products in the cart.
01 - COVER
03 - BACKGUARD
05 - BODY
07 - MAINTOP
09 - DOOR
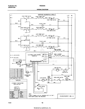
10 - WIRING DIAGRAM