No products in the cart.
01 - COVER
03 - BACKGUARD
05 - BODY
07 - TOP/DRAWER
09 - DOOR
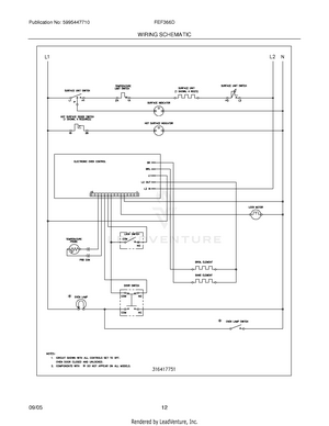
12 - WIRING SCHEMATIC
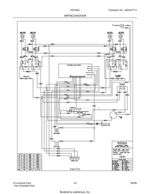
13 - WIRING DIAGRAM