No products in the cart.
01 - COVER
03 - BACKGUARD
05 - BODY
07 - BODY
09 - TOP/DRAWER
11 - DOOR
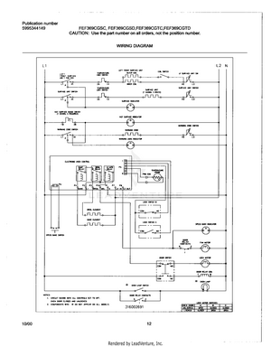
12 - WIRING DIAGRAM