No products in the cart.
01 - COVER
03 - BACKGUARD
05 - BODY
07 - TOP/DRAWER/SMALL DOOR
09 - OVEN DOOR
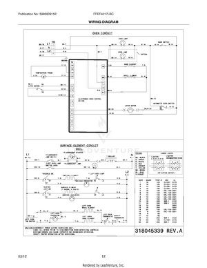
10 - WIRING DIAGRAM