No products in the cart.
01 - COVER
03 - BACKGUARD
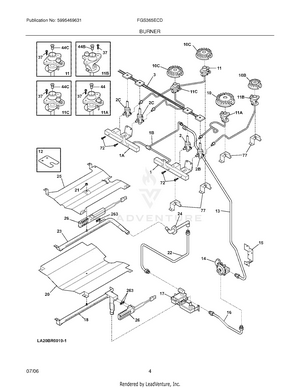
05 - BURNER
07 - BODY
09 - TOP
11 - DOOR
14 - WIRING DIAGRAM
15 - WIRING DIAGRAM