No products in the cart.
01 - COVER SHEET
02 - BACKGUARD
03 - BURNER
04 - BODY
05 - TOP/DRAWER
06 - DOOR
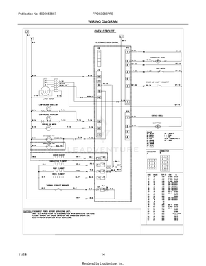
07 - WIRING DIAGRAM
08 - WIRING DIAGRAM