No products in the cart.
01 - CABINET, DRUM, HEATER ASSEMBLY
02 - DOOR, FRONT PANEL, LINT FILTER
03 - CONSOLE, CONTROLS, TOP PANEL
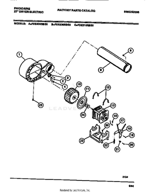
04 - MOTOR, FAN HOUSING, EXHAUST DUCT