No products in the cart.
01 - COVER
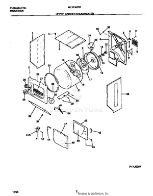
02 - UPPER CABINET/DRUM/HEATER
03 - MOTOR/BLOWER/BELT
04 - CONTROL PANEL
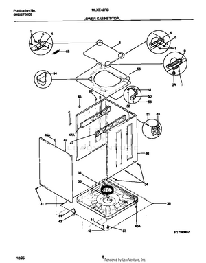
05 - LOWER CABINET/TOP
06 - MOTOR/TUB
07 - TRANSMISSION
08 - WIRING DIAGRAM