No products in the cart.
01 - COVER
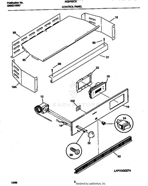
02 - CONTROL PANEL
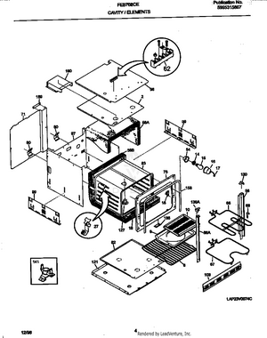
03 - CAVITY/ELEMENTS
04 - DOOR
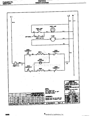
05 - WIRING DIAGRAM