No products in the cart.
01 - COVER
03 - CONTROL PANEL
05 - UPPER OVEN
07 - LOWER OVEN
09 - DOORS
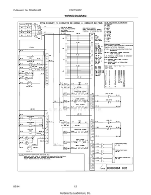
10 - WIRING DIAGRAM