No products in the cart.
01 - COVER SHEET
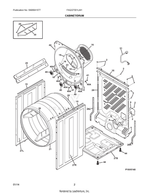
02 - CABINET/DRUM
03 - FRONT PANEL/LINT FILTER
04 - CONTROLS/TOP PANEL
05 - MOTOR
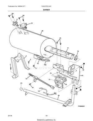
06 - BURNER
07 - WIRING DIAGRAM