No products in the cart.
01 - COVER SHEET
02 - UPPER CABINET/DRUM HEATER
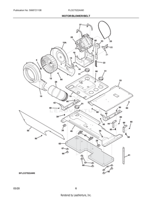
03 - MOTOR/BLOWER/BELT
04 - CONTROL PANEL
05 - LOWER CABINET/TOP
06 - MOTOR/TUB
07 - WIRING DIAGRAM