No products in the cart.
01 - COVER
03 - FREEZER DRAWER - BASKET
05 - FRESH FOOD DOOR
07 - CABINET
09 - SHELVES
11 - SYSTEM
13 - CONTROLS
15 - ICE MAKER
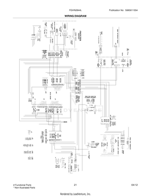
20 - WIRING DIAGRAM
21 - WIRING DIAGRAM