No products in the cart.
02 - DOOR PARTS
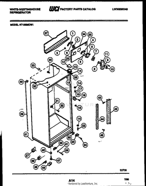
03 - CABINET PARTS
04 - SHELVES AND SUPPORTS
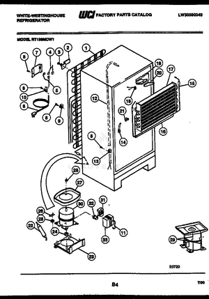
05 - SYSTEM AND AUTOMATIC DEFROST PARTS