No products in the cart.
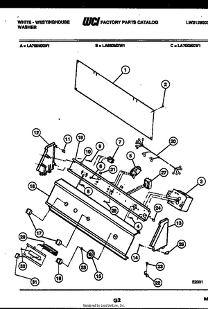
02 - CABINET PARTS
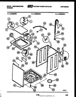
03 - TUB DETAIL
04 - TRANSMISSION PARTS
05 - CONSOLE AND CONTROL PARTS