No products in the cart.
02 - BACKGUARD
03 - BURNER, MANIFOLD AND GAS CONTROL
04 - BODY PARTS
05 - BODY PARTS
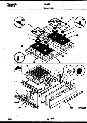
06 - COOKTOP AND BROILER DRAWER PARTS
07 - DOOR PARTS