No products in the cart.
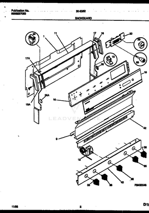
02 - BACKGUARD
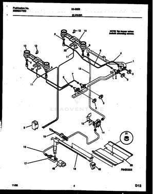
03 - BURNER PARTS
04 - BODY PARTS
05 - COOKTOP AND BROILER DRAWER PARTS
06 - DOOR PARTS