No products in the cart.
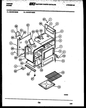
02 - BACKGUARD
03 - COOKTOP PARTS
04 - DOOR PARTS
05 - BROILER DRAWER PARTS
06 - BURNER, MANIFOLD AND GAS CONTROL
07 - BODY PARTS