No products in the cart.
02 - BACKGUARD
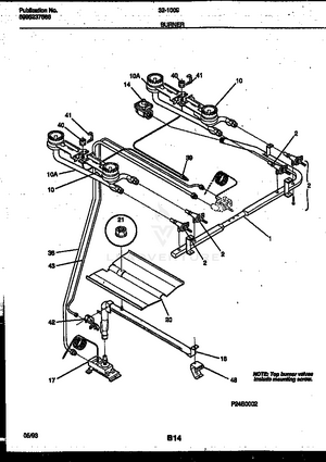
03 - BURNER PARTS
04 - BODY PARTS
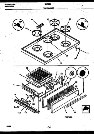
05 - COOKTOP AND BROILER DRAWER PARTS
06 - DOOR PARTS