No products in the cart.
02 - CONSOLE AND CONTROL PARTS
03 - CAM
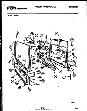
04 - DOOR PARTS
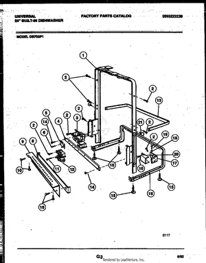
05 - TUB AND FRAME PARTS
06 - MOTOR PUMP PARTS
07 - POWER DRY AND MOTOR PARTS
08 - RACKS AND TRAYS