No products in the cart.
02 - DOOR PARTS
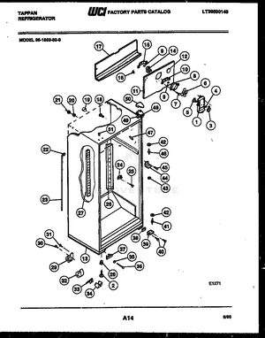
03 - CABINET PARTS
04 - SHELVES AND SUPPORTS
05 - ICE MAKER PARTS
06 - ICE MAKER INSTALLATION PARTS
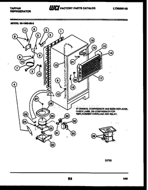
07 - SYSTEM AND AUTOMATIC DEFROST PARTS