No products in the cart.
02 - CONTROL PANEL
03 - DOOR PARTS
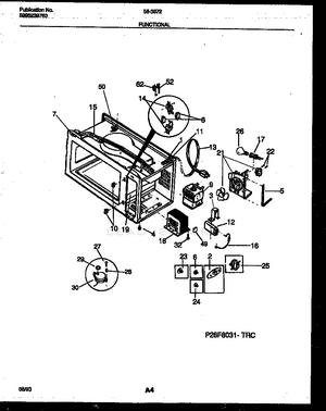
04 - FUNCTIONAL PARTS
05 - WRAPPER AND BODY PARTS