No products in the cart.
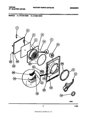
02 - CABINET AND COMPONENT PARTS
03 - DOOR PARTS
04 - CONSOLE AND CONTROL PARTS
05 - BLOWER AND DRIVE PARTS