No products in the cart.
01 - COVER SHEET
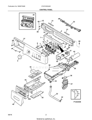
02 - CONTROL PANEL
03 - CABINET/TOP
04 - MOTOR/TUB
05 - WIRING DIAGRAM