No products in the cart.
01 - COVER
03 - CONTROL PANEL
05 - BODY
07 - DOOR
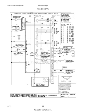
08 - WIRING DIAGRAM
09 - WIRING DIAGRAM