No products in the cart.
01 - COVER SHEET
02 - BACKGUARD
03 - BODY
04 - TOP/DRAWER
05 - DOOR
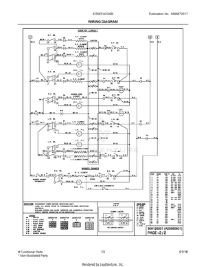
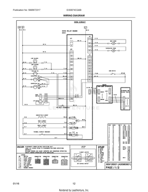
06 - WIRING DIAGRAM
07 - WIRING DIAGRAM