No products in the cart.
01 - COVER
03 - CABINET/DRUM
05 - FRONT PANEL/LINT FILTER
07 - CONTROLS/TOP PANEL
09 - MOTOR
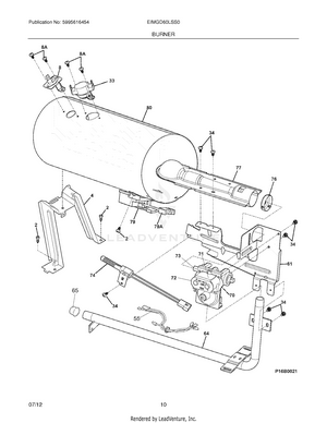
11 - BURNER
12 - WIRING DIAGRAM