No products in the cart.
01 - COVER
03 - CONTROL PANEL
05 - DOOR
07 - TUB
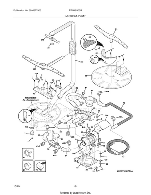
09 - MOTOR & PUMP
11 - FRAME
13 - RACKS
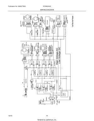
14 - WIRING DIAGRAM