No products in the cart.
01 - COVER SHEET
02 - CONTROL PANEL
03 - MAIN TOP/SURFACE UNITS
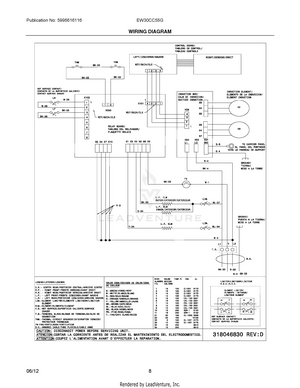
04 - WIRING DIAGRAM