No products in the cart.
01 - COVER
02 - FREEZER DOOR
03 - REFRIGERATOR DOOR
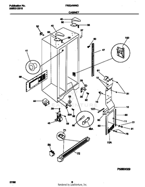
04 - CABINET
05 - CONTROLS
06 - SHELVES
07 - SYSTEM
08 - ICE DISPENSER
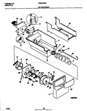
09 - ICE CONTAINER
10 - ICE MAKER