No products in the cart.
01 - COVER
02 - FREEZER DOOR
03 - REFRIGERATOR DOOR
04 - CABINET
05 - SHELVES
06 - CONTROLS
07 - SYSTEM
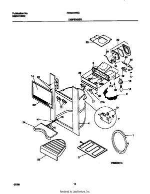
08 - ICE DISPENSER
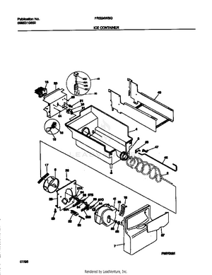
09 - ICE CONTAINER
10 - ICE MAKER