No products in the cart.
BLOWER & MOTOR ASSEMBLY
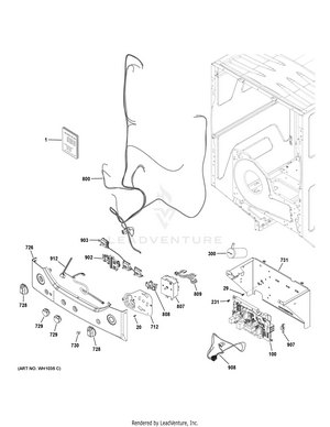
CONTROLS & BACKSPLASH
DRUM
DRYER CABINET
DRYER FRONT PANEL & DOOR
MOTOR & DRIVE ASSEMBLY
TUB & BASKET ASSEMBLY
WASHER CABINET & LID
WATER SYSTEM