No products in the cart.
FREEZER DOOR
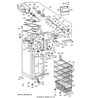
FREEZER SECTION
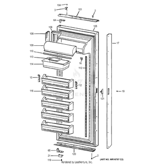
FRESH FOOD DOOR
FRESH FOOD SECTION
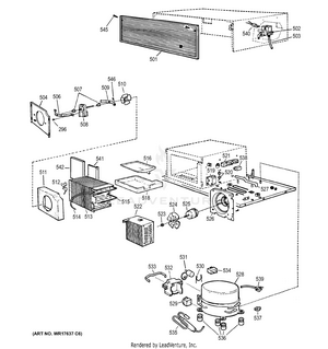
UNIT ASSEMBLY