No products in the cart.
CASE PARTS
CLAD COMPONENTS
FREEZER DOOR
FREEZER SECTION
FREEZER SHELVES
FRESH FOOD DOORS
FRESH FOOD SECTION
FRESH FOOD SHELVES
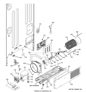
MACHINE COMPARTMENT