No products in the cart.
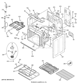
BODY PARTS
CONTROL PANEL
CONVECTION FAN
COOKTOP
DOOR
DOOR LOCK
WARMING DRAWER