No products in the cart.
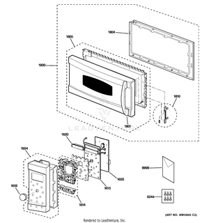
CONTROL PANEL & DOOR PARTS
INSTALLATION PARTS
INTERIOR PARTS (1)
INTERIOR PARTS (2)
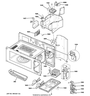
OVEN CAVITY PARTS