No products in the cart.
CASE PARTS
FREEZER DOOR
FREEZER SECTION
FREEZER SHELVES
FRESH FOOD DOOR
FRESH FOOD SECTION
FRESH FOOD SHELVES
ICE MAKER & DISPENSER
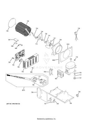
MACHINE COMPARTMENT
QUICK CHILL