No products in the cart.
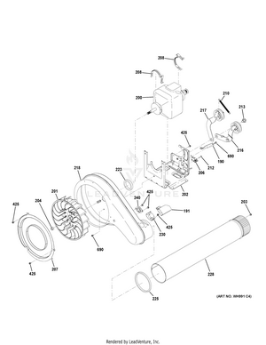
BLOWER & MOTOR
CABINET & TOP PANEL
CONTROLS & BACKSPLASH
DRUM
FRONT PANEL & DOOR
GAS VALVE & BURNER ASSEMBLY