No products in the cart.
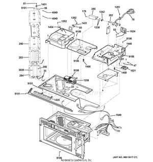
CONTROL PARTS
DOOR PARTS
INSTALLATION PARTS
INTERIOR PARTS (1)
INTERIOR PARTS (2)
LATCH BOARD PARTS
OVEN CAVITY PARTS