No products in the cart.
Chassis And Enclosures
Decals
Electrical
Engine
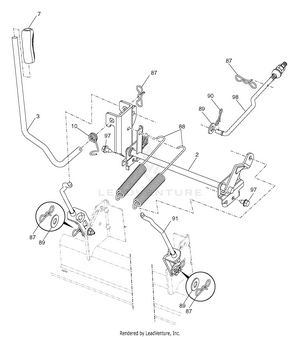
Ground Drive
Lift Assembly
Mower Deck
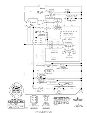
Schematic
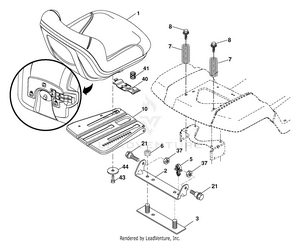
Seat Assembly
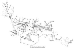
Steering Assembly
Wheels & Tires