No products in the cart.
Chassis And Enclosures
Decals
Drive
Electrical
Engine
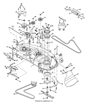
Mower Deck
Mower Lift
Schematic
Seat Assembly
Steering Assembly
Wheels & Tires