No products in the cart.
ACCESSORIES
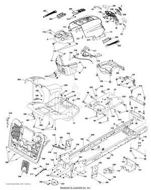
BAGGER
CHASSIS & ENCLOSURES
DECALS
DRIVE
ELECTRICAL
ENGINE
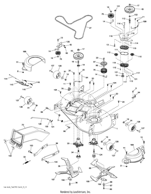
MOWER DECK / CUTTING DECK
MOWER LIFT / DECK LIFT
SCHEMATIC
SEAT
STEERING
WHEELS & TIRES