No products in the cart.
CHASSIS & ENCLOSURES
DECALS
DRIVE
ELECTRICAL
MOWER DECK / CUTTING DECK
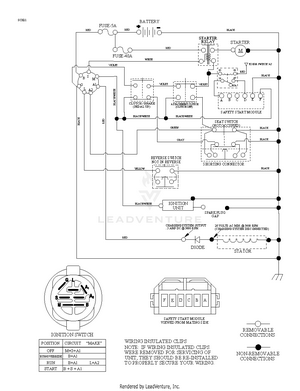
SCHEMATIC
STEERING